|
|
+ |
| - |
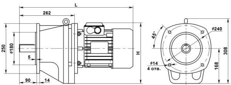
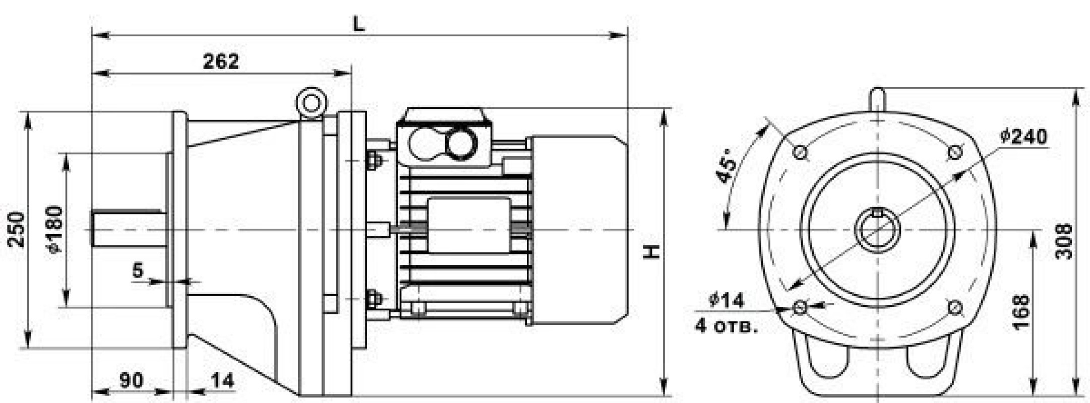
Соосный цилиндрический мотор-редуктор 4МЦ2С-80 - важный элемент промышленного оборудования, который обеспечивает надежность работы и экономию энергии. При выборе мотор редуктора для своего производства, необходимо учитывать множество факторов: скорость вращения, мощность, крутящий момент и др.
Мотор-редуктор 4МЦ2С-80 включает в себя две цилиндрические ступени и электродвигатель мощностью до 5,5 кВт. Мы комплектуем приводы недорогими, но надежными двигателями Able. По требованию заказчика агрегат может быть укомплектован моторами Siemens.
Мотор-редуктор 4МЦ2С-80-112-3-G140-ЦУЗ-2-380 ТУ2.056.0221595.13-91
| Номинальная частота вращения выходного вала, об/мин | Номинальный крутящий момент на тихоходном валу, H*м | Радиальная консольная нагрузка на конце тихоходного вала, Н | Масса без смазки, не более, кг | Типоразмер двигателя | Мощность двигателя | КПД мотор-редуктора, %, не менее |
|---|---|---|---|---|---|---|
| 28 | 250 | 4000 | 36 | АИР90LА8Р3 | 0,75 | 72 |
| 368 | 4800 | 40 | АИР90LВ8Р3 | 1,1 | 74 | |
| 35,5 | 292 | 4300 | ||||
| 368 | 4800 | 37 | АИР90L6Р3 | 1,5 | 73 | |
| 45 | 230 | 3800 | 40 | АИР90LВ8Р3 | 1,1 | 74 |
| 304 | 4400 | 37 | АИР90L6Р3 | 1,5 | 73 | |
| 56 | 242 | 3900 | 37 | АИР90L6Р3 | 1,5 | 73 |
| 366 | 4800 | 36 | АИР90L4Р3 | 2,2 | 78 | |
| 46 | АИР100L6Р3 | |||||
| 71 | 190 | 3400 | 37 | АИР90L6Р3 | 1,5 | 73 |
| 303 | 4300 | 36 | АИР90L4Р3 | 2,2 | 78 | |
| 46 | АИР100L6Р3 | |||||
| 393 | 5000 | 41 | АИР100S4Р3 | 3,0 | 79 | |
| 90 | 228 | 3800 | 36 | АИР90L4Р3 | 2,2 | 78 |
| 46 | АИР100L6Р3 | |||||
| 310 | 4200 | 41 | АИР100S4Р3 | 3,0 | 79 | |
| 112 | 185 | 3400 | 36 | АИР90L4Р3 | 2,2 | 78 |
| 250 | 4000 | 41 | АИР100S4Р3 | 3,0 | 79 | |
| 332 | 4600 | 47 | АИР100L4Р3 | 4,0 | 82 | |
| 125 | 230 | 3800 | 41 | АИР100S4Р3 | 3,0 | 82 |
| 307 | 4400 | 47 | АИР100L4Р3 | 4,0 | 82 | |
| 140 | 256 | 4000 | 47 | АИР100L4Р3 | 4,0 | 82 |
| 302 | 4800 | 51 | АИР100L2Р3 | 5,5 | 85 | |
| 180 | 200 | 3500 | 47 | АИР100L4Р3 | 4,0 | 82 |
| 43 | АИР100S2Р3 | 84 | ||||
| 280 | 4200 | 51 | АИР100L2Р3 | 5,5 | 85 | |
| 224 | 165 | 3300 | 43 | АИР100S2Р3 | 4,0 | 84 |
| 227 | 3800 | 51 | АИР100L2Р3 | 5,5 | 85 | |
| 280 | 127 | 2800 | 47 | АИР100S2Р3 | 4,0 | 84 |
| 175 | 3300 | 51 | АИР100L2Р3 | 5,5 | 85 |


Собственное оборудование для производства валов, зубчатых колес и их химико-термической обработки, обработки корпусов и последующей сборки.
Мы платим вам за качество! В случае если наш редуктор сломается - мы бесплатно заменим его и выплатим вам до 50% от стоимости.
Опытные конструкторы проведут скрупулезный расчет и выберут оптимальное.